内页图
Новости
Дом Новости Решение для регулирования частоты вращения штангового насоса V&T VFD

Решение для регулирования частоты вращения штангового насоса V&T VFD

  • December 16, 2025

Для модернизации штанговых насосов с помощью частотно-регулируемого привода были применены три подхода.


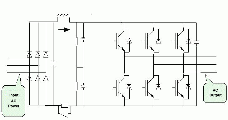
1. Частотно-регулируемый привод (ЧРП) с управлением тормозным устройством.


Добавление тормозного резистора и тормозного устройства к обоим концам шины постоянного тока в основной цепи частотно-регулируемого привода (этот метод обладает высоким коэффициентом экономической эффективности) позволяет, в связи с необходимостью высокого крутящего момента во время запуска и подъема штангового насоса, а также во время спуска, переводить двигатель в режим выработки электроэнергии. Наиболее критичным является спуск, представляющий собой непрерывный процесс работы, при котором скорость возвратно-поступательного движения в минуту регулируется в зависимости от вязкости нефти, глубины скважины и производительности, что приводит к переходу двигателя в режим рекуперативного выработки электроэнергии и возврату избыточной энергии в сеть, вызывая повышение напряжения на шине постоянного тока основной цепи частотно-регулируемого привода. Без пути для возврата электрической энергии в сеть, она должна рассеиваться локально с помощью резисторов. Именно поэтому необходимо использовать тормозное устройство и тормозной резистор в частотно-регулируемом приводе, и в наших мощных частотно-регулируемых приводах предусмотрены встроенные тормозные устройства, что позволяет в полной мере достичь желаемого эффекта управления.

2. Частотно-регулируемый привод с блоком управления регенеративной обратной связью.


В цепь постоянного тока частотно-регулируемого привода добавлен блок рекуперативного торможения, который направляет электрическую энергию, вырабатываемую в режиме рекуперативного торможения (генерации электроэнергии), обратно в сеть.

3. Автоматическое интеллектуальное управление с частотным преобразователем — не требуется тормозной блок или блок рекуперативного торможения.


В целом, тормозной узел или блок рекуперативного торможения не требуются. Частотно-регулируемый привод (ЧРП) может автоматически регулировать свою работу в соответствии с условиями работы блока лучевого насоса, что приводит к снижению стоимости системы, повышению надежности, уменьшению гармонических искажений и лучшей адаптации к колебаниям рабочего напряжения.


Двухпозиционное управление системой регулирования частоты вращения

В соответствии с требованиями, каждый шкаф управления частотно-регулируемым приводом оснащен одним частотно-регулируемым приводом, который автоматически управляет двигателем в режиме разомкнутого контура регулирования скорости. Шкаф управления имеет переключатель между режимами работы от сетевой частоты (байпас) и от переменной частоты, предлагая три положения: сетевая частота, переменная частота и остановка, что обеспечивает простоту и удобство эксплуатации.

При переключении в режим частотно-регулируемого привода (ЧРП) он работает автоматически. Регулировка скорости осуществляется путем подачи аналогового сигнала с потенциометра на панели управления на клемму AI1 ЧРП. Во время работы параметры в реальном времени, такие как ток, напряжение, мощность и частота, можно просматривать непосредственно на дисплее ЧРП.

Для управления на верхнем уровне (дистанционного управления) переключение не требуется — частотно-регулируемый привод можно запускать и останавливать напрямую, а его рабочее состояние и рабочую частоту можно устанавливать дистанционно. Текущие рабочие данные также можно скопировать и экспортировать в документацию.


Преимущества продукта:

  • Комплексная защита от внешних неисправностей, включая короткое замыкание, обрыв фазы, перегрузку и дисбаланс фаз;
  • Высокоинтегрированная конструкция, отличающаяся высокой надежностью и превосходным соотношением цены и качества;
  • Поддерживает как дистанционное, так и локальное управление, оснащен интерфейсом связи RS-485;
  • Корпус тумбового типа, предназначенный для установки на открытом воздухе.




Авторские права © 2026 Shenzhen V&T Technologies Co.,Ltd.. Все права защищены. Власть

Поддерживается сеть IPv6

вершина

оставить сообщение

оставить сообщение

    Если Вы заинтересованы в наших продуктах и хотите узнать больше деталей, пожалуйста, оставьте сообщение здесь, мы ответим вам, как только мы Can.

  • #
  • #
  • #